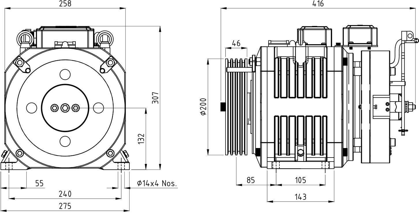
A gearless elevator machine, the rtg 04 operates smoothly and silently for up to 4 passengers or a maximum load of 300 kg in multistorey buildings.
| Specification | RTG 0404 A-200 | RTG 0404 A-200 | RTG 0404 A-200 | RTG 0404 A-200 |
|---|---|---|---|---|
| Max. Duty Load (Kg.) | 300 | 300 | 300 | 300 |
| Max. Passenger Capacity | 4 | 4 | 4 | 4 |
| Max. Speed (m/s) | 0.32 | 0.32 | 0.50 | 0.50 |
| Sheave Dia (mm) | 200 | 200 | 200 | 200 |
| Ratio of Roping | 2:1 | 2:1 | 2:1 | 2:1 |
| No. of Ropes | 4 | 3 | 4 | 3 |
| Rope Dia. (mm) | 6 | 8 | 6 | 8 |
| Current (A) | 4.8 | 4.8 | 5.0 | 5.0 |
| Power (kW) | 0.63 | 0.63 | 1.00 | 1.00 |
| RPM | 60 | 60 | 96 | 96 |
| Torque (Nm) | 100 | 100 | 100 | 100 |
| Frequency (Hz) | 8.0 | 8.0 | 12.8 | 12.8 |
| IP Protection | IP 41 | IP 41 | IP 41 | IP 41 |
| Start / Hr. | 180 | 180 | 180 | 180 |
| Machine Weight (kg) Appx | 78 | 78 | 78 | 78 |
Have questions or need more information about our advanced gearless elevator machines? Our team is here to help you choose the perfect solution for your project. Reach out today for expert advice, customized quotes, or technical support.
© 2025 Tectronics Technology Exim LLP. All rights reserved.