RTG 24P 06 (Single-Phase)

A gearless elevator machine, the rtg 24p 06 (single-phase) operates smoothly and silently for 6 passengers or a maximum load of 408 kg in multistorey buildings.

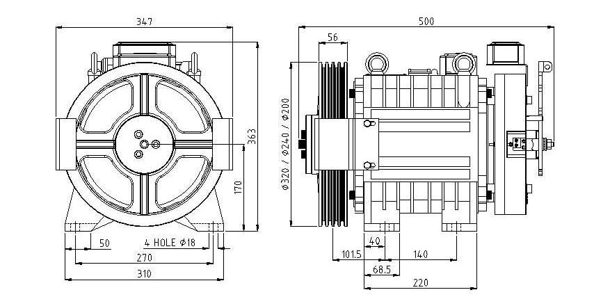
Technical Specifications

Specification RTG 24 P 0606 A-200
Max. Duty Load (Kg.) 408
Max. Passenger Capacity 6
Max. Speed (m/s) 0.50
Sheave Dia (mm) 200
Ratio of Roping 2:1
No. of Ropes 4
Rope Dia. (mm) 8
Current (A) 11
Power (kw) 2.20
RPM 96
Torque (NM) 220
Frequency (Hz) 19.2
IP Protection IP 41
Start / Hr. 180
Machine Weight (kg) Appx 155

Technical Image

Products Uses

We’re Here to Help You Elevate Every Detail.

Get in Touch With Our Elevator Experts

Have questions or need more information about our advanced gearless elevator machines? Our team is here to help you choose the perfect solution for your project. Reach out today for expert advice, customized quotes, or technical support.