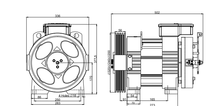
A gearless elevator machine, the rtg 24p 06 n operates smoothly and silently for 6 passengers or a maximum load of 408 kg in multistorey buildings.
| Specification | RTG 24 P 0808 N A-320 | RTG 24 P 0808 N B-320 | RTG 24 P 0808 N C-320 | RTG 24 P 0808 N D-320 | RTG 24 P 0808 N E-320 | RTG 24 P 0808 N F-320 | RTG 24 P 0808 N A-240 | RTG 24 P 0808 N B-240 | RTG 24 P 0808 N C-240 | RTG 24 P 0808 N D-240 | RTG 24 P 0808 N A-200 |
|---|---|---|---|---|---|---|---|---|---|---|---|
| Max. Duty Load (Kg.) | 544 | 544 | 544 | 544 | 544 | 544 | 544 | 544 | 544 | 544 | 544 |
| Max. Passenger Capacity | 8 | 8 | 8 | 8 | 8 | 8 | 8 | 8 | 8 | 8 | 8 |
| Max. Speed (m/s) | 0.50 | 0.75 | 1.00 | 1.25 | 1.50 | 1.75 | 0.50 | 0.75 | 1.00 | 1.25 | 1.50 |
| Sheave Dia (mm) | 320 | 320 | 320 | 320 | 320 | 320 | 240 | 240 | 240 | 240 | 240 |
| Ratio of Roping | 2:1 | 2:1 | 2:1 | 2:1 | 2:1 | 2:1 | 2:1 | 2:1 | 2:1 | 2:1 | 2:1 |
| No. of Ropes | 4 | 4 | 4 | 4 | 4 | 4 | 4 | 4 | 4 | 4 | 4 |
| Rope Dia. (mm) | 8 | 8 | 8 | 8 | 8 | 8 | 8 | 8 | 8 | 8 | 8 |
| Current (A) | 10.5 | 10.5 | 11.0 | 12.5 | 13.0 | 13.5 | 10.5 | 11.0 | 13.0 | 13.5 | 14.0 |
| Power (kw) | 2.6 | 2.4 | 4.0 | 4.9 | 5.7 | 6.5 | 3.1 | 4.1 | 5.2 | 6.2 | 6.8 |
| RPM | 60 | 90 | 120 | 149 | 179 | 209 | 80 | 120 | 160 | 199 | 240 |
| Torque (NM) | 250 | 250 | 250 | 250 | 250 | 250 | 250 | 250 | 250 | 250 | 250 |
| Frequency (Hz) | 12.0 | 18.0 | 24.0 | 29.8 | 35.8 | 41.8 | 16.0 | 24.0 | 32.0 | 39.8 | 48.0 |
| IP Protection | IP41 | IP41 | IP41 | IP41 | IP41 | IP41 | IP41 | IP41 | IP41 | IP41 | IP41 |
| Start / Hr. | 150 | 150 | 150 | 150 | 150 | 150 | 150 | 150 | 150 | 150 | 150 |
| Machine Weight (kg) Appx | 180 | 180 | 180 | 180 | 180 | 180 | 180 | 180 | 180 | 180 | 180 |
Have questions or need more information about our advanced gearless elevator machines? Our team is here to help you choose the perfect solution for your project. Reach out today for expert advice, customized quotes, or technical support.
© 2025 Tectronics Technology Exim LLP. All rights reserved.