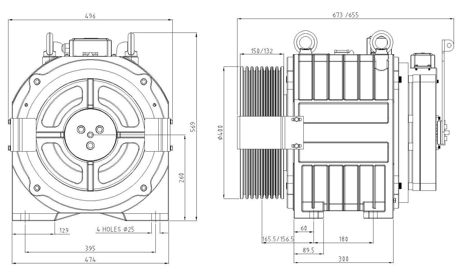
A gearless elevator machine, the rtg 32p 2. 0 operates smoothly and silently for 30 passengers or a maximum load of 2000 kg in multistorey buildings.
| Specification | RTG 32 P 2.0 TA-400 | RTG 32 P 2.0 TB-400 | RTG 32 P 2.0 TC-400 | RTG 32 P 2.0 TD-400 | RTG 32 P 2.0 TE-400 | RTG 32 P 2.0 TA-320 | RTG 32 P 2.0 TB-320 | RTG 32 P 2.0 TC-320 | RTG 32 P 2.0 TD-320 |
|---|---|---|---|---|---|---|---|---|---|
| Max. Duty Load (Kg.) | 2000 | 2000 | 2000 | 2000 | 2000 | 2000 | 2000 | 2000 | 2000 |
| Max. Passenger Capacity | 30 | 30 | 30 | 30 | 30 | 30 | 30 | 30 | 30 |
| Max. Speed (m/s) | 0.50 | 0.75 | 1.00 | 1.25 | 1.50 | 0.50 | 0.75 | 1.00 | 1.25 |
| Sheave Dia (mm) | 400 | 400 | 400 | 400 | 400 | 320 | 320 | 320 | 320 |
| Ratio of Roping | 2 | 2 | 2 | 2 | 2 | 2 | 2 | 2 | 2 |
| No. of Ropes | 8 | 8 | 8 | 8 | 8 | 10 | 10 | 10 | 10 |
| Rope Dia. (mm) | 10 | 10 | 10 | 10 | 10 | 8 | 8 | 8 | 8 |
| Current (A) | 31.0 | 31.0 | 31.5 | 32.5 | 38.0 | 25.0 | 26.0 | 27.0 | 29.0 |
| Power (kW) | 8.3 | 10.4 | 14.1 | 17.9 | 21.6 | 7.24 | 10.5 | 14.0 | 18.0 |
| RPM | 50 | 73 | 97 | 120 | 144 | 60 | 90 | 120 | 150 |
| Torque (NM) | 1400 | 1400 | 1400 | 1400 | 1400 | 1200 | 1200 | 1200 | 1200 |
| Frequency (Hz) | 13.3 | 19.5 | 25.9 | 32.0 | 38.4 | 16.0 | 24.0 | 32.0 | 40.0 |
| IP Protection | IP 41 | IP 41 | IP 41 | IP 41 | IP 41 | IP 41 | IP 41 | IP 41 | IP 41 |
| Start / Hr. | 180 | 180 | 180 | 180 | 180 | 180 | 180 | 180 | 180 |
| Machine Weight (kg) Appx | 480 | 480 | 480 | 480 | 480 | 480 | 480 | 480 | 480 |
Have questions or need more information about our advanced gearless elevator machines? Our team is here to help you choose the perfect solution for your project. Reach out today for expert advice, customized quotes, or technical support.
© 2025 Tectronics Technology Exim LLP. All rights reserved.