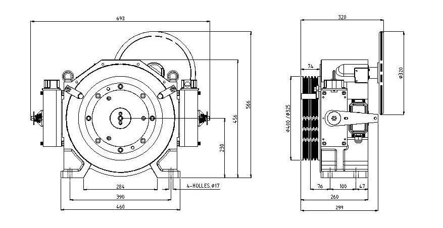
A gearless elevator machine, the tg 08 operates smoothly and silently for 6 to 10 passengers or a maximum load of 450 to 680 kg in multistorey buildings. A
| Specification | TG 0806 A-325 | TG 0806 C-325 | TG 0806 E-400 | TG 0808 A-325 | TG 0808 C-325 | TG 0808 E-400 | TG 0810 A-325 | TG 0810 C-325 |
|---|---|---|---|---|---|---|---|---|
| Max. Duty Load (Kg.) | 450 | 450 | 450 | 550 | 550 | 550 | 680 | 680 |
| Max. Passenger Capacity | 6 | 6 | 6 | 8 | 8 | 8 | 10 | 10 |
| Max. Speed (m/s) | 0.50 | 1.00 | 1.50 | 0.50 | 1.00 | 1.50 | 0.50 | 1.00 |
| Sheave Dia (mm) | 325 | 325 | 400 | 325 | 325 | 400 | 325 | 325 |
| Ratio of Roping | 2 | 2 | 2 | 2 | 2 | 2 | 2 | 2 |
| No. of Ropes | 5 | 5 | 4 | 5 | 5 | 4 | 5 | 5 |
| Rope Dia. (mm) | 8 | 8 | 10 | 8 | 8 | 10 | 8 | 8 |
| Current (A) | 4.1 | 7.9 | 12.2 | 6.4 | 9.3 | 15.0 | 7.1 | 10.3 |
| Power (kw) | 1.6 | 3.3 | 4.9 | 1.8 | 3.6 | 4.3 | 2.0 | 4.0 |
| RPM | 59 | 118 | 150 | 59 | 118 | 143 | 59 | 118 |
| Torque (NM) | 265 | 265 | 265 | 290 | 290 | 290 | 350 | 350 |
| Frequency (Hz) | 9.80 | 19.70 | 24.90 | 9.80 | 19.70 | 23.80 | 9.80 | 19.60 |
| IP Protection | IP 41 | IP 41 | IP 41 | IP 41 | IP 41 | IP 41 | IP 41 | IP 41 |
| Start / Hr. | 180 | 180 | 180 | 180 | 180 | 180 | 180 | 180 |
| Machine Weight (kg) Appx | 205 | 205 | 215 | 215 | 215 | 215 | 215 | 215 |
Have questions or need more information about our advanced gearless elevator machines? Our team is here to help you choose the perfect solution for your project. Reach out today for expert advice, customized quotes, or technical support.
© 2025 Tectronics Technology Exim LLP. All rights reserved.